网站首页
关于我们
关于我们
公司简介
荣誉资质
公司环境
产品中心
产品中心
智能疏散控制系统
EPS应急电源系列
消防巡检柜系列
风机控制箱系列
UPS不间断电源系列
直流控制屏系列
铅酸蓄电池系列
消防电源监控系列
电气火灾监控系统
智能照明模块系统
新闻资讯
新闻资讯
公司新闻
行业资讯
资料下载
联系我们
网站首页
关于我们
公司简介
荣誉资质
公司环境
产品中心
智能疏散控制系统
EPS应急电源系列
消防巡检柜系列
风机控制箱系列
UPS不间断电源系列
直流控制屏系列
铅酸蓄电池系列
消防电源监控系列
电气火灾监控系统
智能照明模块系统
新闻资讯
公司新闻
行业资讯
资料下载
联系我们
首页
产品中心
消防巡检柜系列
WX-ATS系列双电源控制柜
WX-ATS系列双电源控制柜
如果您有任何问题可以联系我们!
联系我们
电话:400-9700-203 15869675673
加我微信
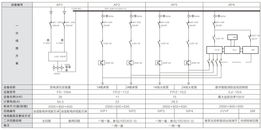
详细信息
上一个:
WX-XJ系列智能消防泵巡检柜
下一个:
WX-XJ/XF(PL)系列水泵控制柜
相关产品
WX-XJ系列智能消防泵巡检柜
查看详情
WX-ATS系列双电源控制柜
查看详情
WX-XJ/XF(PL)系列水泵控制柜
查看详情
WX-XJ系列消防巡检成套柜
查看详情
微信
咨询
加我微信
服务
热线
400-9700-203
15869675673
服务热线